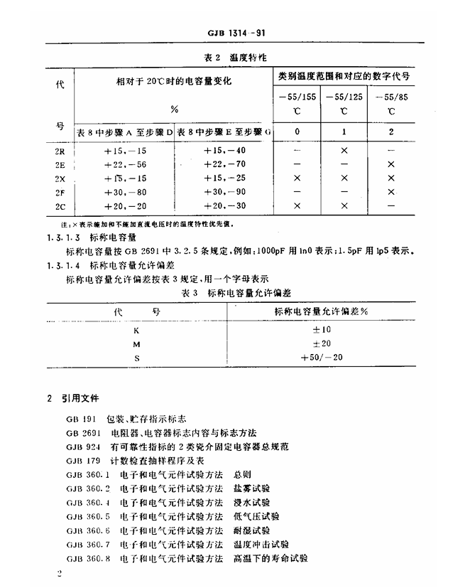
GJB 1314-91 2类瓷介电容器总规范

GJB 1314-91 2类瓷介电容器总规范

GJB 1314-91 2类瓷介电容器总规范

GJB 1314-91 2类瓷介电容器总规范
1 范图
1.1 主题内容
本规范规定了2类瓷介电容器的一般技术要求,质量保证规定和试验方法。
1.2适用范围
本规范适用于2类陶瓷介质、绝缘型固定电容器。这类电容器适用于允许电容量随温度、电压、频率和使用时间而变化的电路中。
常见问题
如何获取我想要的资源?
代找资源网不售卖任何资源,只代找资源,需要代找服务的小伙伴请添加客服QQ 1127720680
代找资源网不售卖任何资源,只提供代找服务
QQ客服
微信客服

评论0